
原装畅销·品牌齐全·海量型号·库存充足
联系我们
Contact us
深圳京柏微科技有限公司

变频器/伺服器
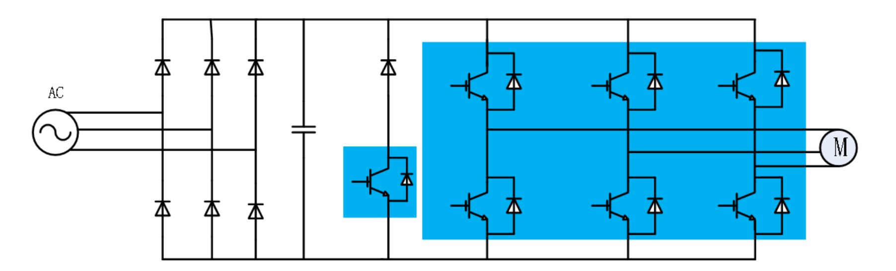
变频器/变频器主要由整流(交流变直流)、滤波、逆变(直流变交流)、制动单元、驱动单元、检测单元微处理单元等组成。变频器靠内部IGBT的开断来调整输出电源的电压和频率,根据电机的实际需要来提供其所需要的电源电压,进而达到节能、调速的目的,另外,变频器还有很多的保护功能,如过流、过压、过载保护等等。随着工业自动化程度的不断提高,变频器也得到了非常广泛的应用。维安丰富的高效率、高可靠性工规级产品能满足大部分的工业应用场合,例如LDO,高压MOS,IGBT模块等等。
应用领域

应用型号表
维安IGBT模块型号表:
电压1200V,电流从100A-600A
100A:WGM100PC120T1
150A:WGM150FC120T1
200A:WGM200HC120T1
300A:WGM300HC120T1
450A:WGM450HD120T1
600A:WGM600HD120T1

展开更多
